low current led
Moderator: T.Hoffmann
Hallo,
ich bin auf der Suche nach (SMD) LED's mit möglichst geringer Stromaufnahme. Brauch diese für ne On/Off Anzeige für ein Gerät das mehrer Monate mit ner Batterie laufen soll.
Dachte mir an einen pulsierenden Betrieb der Anzeige: 50ms an, 5s Pause.
Sieht man da noch was?
Welche LEDs verwenden?
Greetz Hansanaut
ich bin auf der Suche nach (SMD) LED's mit möglichst geringer Stromaufnahme. Brauch diese für ne On/Off Anzeige für ein Gerät das mehrer Monate mit ner Batterie laufen soll.
Dachte mir an einen pulsierenden Betrieb der Anzeige: 50ms an, 5s Pause.
Sieht man da noch was?
Welche LEDs verwenden?
Greetz Hansanaut
Zuletzt geändert von hansanaut am Mo, 04.06.07, 13:36, insgesamt 1-mal geändert.
Angst das die Helligkeit nicht ausreicht.
Gibts evtl. LEDs, die sich mit 5mA begnügen. Ne "normale" macht da nicht mehr viel...
Und - erkennt man noch was, wenn die nur 50ms aufblitzt? Reicht das um die LED wahrzunehmen?
Greetz Hansanaut
Gibts evtl. LEDs, die sich mit 5mA begnügen. Ne "normale" macht da nicht mehr viel...
Und - erkennt man noch was, wenn die nur 50ms aufblitzt? Reicht das um die LED wahrzunehmen?
Greetz Hansanaut
- Elektronikmann
- Ultra-User

- Beiträge: 844
- Registriert: Mo, 19.03.07, 10:37
- Wohnort: Mainz
LC-LEDs gibt es soweit ich weis nicht als SMD.
LC LED 2V /2mA schon.
Die sind sehr gut sichtbar. Habe die in meinem Auto verbaut als Alarmanlagen LED.
Die läuft monate lang an 9V Block da sie ja nur kurz gepulst wird.
MfG
LC LED 2V /2mA schon.
Die sind sehr gut sichtbar. Habe die in meinem Auto verbaut als Alarmanlagen LED.
Die läuft monate lang an 9V Block da sie ja nur kurz gepulst wird.
MfG
Jop muss ich Neo recht geben, habe ich auch schon gesehen....Neo hat geschrieben:also nach meiner erfahrung sind Standard LEDs mit 2ma heller wie diese 2ma LEDs
Ich habe es bei mir am Fentser als AlarmFake obwohl die batterie schon fast leer ist
- Elektronikmann
- Ultra-User

- Beiträge: 844
- Registriert: Mo, 19.03.07, 10:37
- Wohnort: Mainz
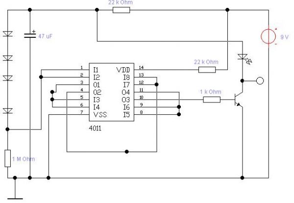
Passender Schaltplan dazu.
Je weniger Dioden desto schneller die Plinkrate.
MfG
2mA sind heller als 20mA. Habe es ausprobiert.
MfG
2mA sind heller als 20mA. Habe es ausprobiert.
Da ich bei meinem jetzigen Geheim-Projekt
auch eine Led permanent am Lion Akku hängen habe, habe ich mich natürlich erkundigt welche Led den geringsten STrom braucht um zu glimmen.
Nach vielen Versuchen mit verschiedenen Leds (Rot, Weiß, Grün, 3mm, SMD...) bin ich zum folgenden Ergebnis gekommen:
Die Hyperhelle-LED-gruen-15000mcd-20--5mm ist die effizienteste Led bei sehr geringem Stromfluss.
Bereits bei 0,5 µA ist ein glimmen sichtbar.
Ein Glimmen ist bei der Roten Led erst ab ca. 4 µA sichtbar und beim blauen erst ab ca. 8 µA. Andere Farben haben ähnliche Werte.
Wohlgemerkt 1000 µA = 1 mA !!!
Nach vielen Versuchen mit verschiedenen Leds (Rot, Weiß, Grün, 3mm, SMD...) bin ich zum folgenden Ergebnis gekommen:
Die Hyperhelle-LED-gruen-15000mcd-20--5mm ist die effizienteste Led bei sehr geringem Stromfluss.
Bereits bei 0,5 µA ist ein glimmen sichtbar.
Ein Glimmen ist bei der Roten Led erst ab ca. 4 µA sichtbar und beim blauen erst ab ca. 8 µA. Andere Farben haben ähnliche Werte.
Wohlgemerkt 1000 µA = 1 mA !!!
Sehr interessant.
Darf man fragen, wie du den Strom gemessen, bzw. eingestellt hast?
Ist ja schon verdammt wenig.
Und du sprichst von Werten, bei denen man gerade so was erkennen kann, oder?
Wenn ich die mit 500uA - 1mA betreib, dann sollte dies doch gut sichtbar sein, oder?
Greetz Hansanaut
Darf man fragen, wie du den Strom gemessen, bzw. eingestellt hast?
Ist ja schon verdammt wenig.
Und du sprichst von Werten, bei denen man gerade so was erkennen kann, oder?
Wenn ich die mit 500uA - 1mA betreib, dann sollte dies doch gut sichtbar sein, oder?
Greetz Hansanaut
- Elektronikmann
- Ultra-User

- Beiträge: 844
- Registriert: Mo, 19.03.07, 10:37
- Wohnort: Mainz
Habe mal ein Vergleich gemacht.
Erste Bild ist eine LC-LED bei Exakt 2V
Zweite LED ist eine Standart LED. Auch exakt 2V.
Die LC ist wesentlich heller. MfG
Erste Bild ist eine LC-LED bei Exakt 2V
Zweite LED ist eine Standart LED. Auch exakt 2V.
Die LC ist wesentlich heller. MfG
- Elektronikmann
- Ultra-User

- Beiträge: 844
- Registriert: Mo, 19.03.07, 10:37
- Wohnort: Mainz
Was willst du da großartiges messen.
Die LC zieht bei 2V 2mA die andere bei 2V 20mA MfG
Die LC zieht bei 2V 2mA die andere bei 2V 20mA MfG
ich würd sagen das ist so unwahrscheinlich, wie 1 monat lang jeden tag den jackpot zu knacken, irgendwas kann da nicht stimmen, weil sonst wären die Lowcurrentleds ja mehr als 10mal so effekt, wie die normalen und das kann ich garnicht glaubenSailor hat geschrieben:Das ist noch unwahrscheinlicher als die morgen den Jackpot zu knacken!Die LC zieht bei 2V 2mA die andere bei 2V 20mA
- Elektronikmann
- Ultra-User

- Beiträge: 844
- Registriert: Mo, 19.03.07, 10:37
- Wohnort: Mainz
Gut ich hab einen Fehler gemacht. Wir sind ja alle noch lernfähig.
LC braucht 16,2mA normal LED5,2mA jeweils gemessen bei 2V.
Zufrieden?
MfG
LC braucht 16,2mA normal LED5,2mA jeweils gemessen bei 2V.
Zufrieden?
MfG
- Sailor
- Moderator
- Beiträge: 9427
- Registriert: Di, 28.11.06, 22:16
- Wohnort: Saarland, Deutschland und die Welt
Danke, Elektronikmann!
Ja, ich bin zufrieden.
Nicht weil ich recht hatte, sondern weil Du ein schönes Beispiel gebracht hast, dass es nicht möglich ist, einfach nach der angegebenen Flussspannung auf den Strom durch eine LED zu schließen.
Ja, ich bin zufrieden.
Nicht weil ich recht hatte, sondern weil Du ein schönes Beispiel gebracht hast, dass es nicht möglich ist, einfach nach der angegebenen Flussspannung auf den Strom durch eine LED zu schließen.



