mh Teile brauch ich warscheinlcih keine, da ich n alten PC rumfahren ahb (aus dem ich warscheinlich auch das Netzteil rausnehm) und Wiederstände sind auch kein Problem, höchstens die transistoren, fals die nciht imPC sind. mit dem Netzteil sollte das mit dem stabilisierten in ordnung gehn da ich mla glaub PC netzteile sind "sehr" stabilisiert ^^ (bei PC kenn cih mich aus^^).
allerdings hab cih mich warscheinlcih bei den LEDs falsch ausgedrückt. das mit ++Ub ist mir jetzt klar aber ich nehm ja jetzt nicht mehr den haufen LEDs (ursprünglcih 150 geplant aber zu dunkel) sondern pro Frequenzbereich eine RGB. also so ein chipsatz (so nennt mans glaub cih)
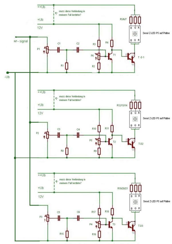
wie du siehst hat der für rot grün Blau jeweils 2 Anschlüsse (+/-). wie bekomm ich die 6 jetzt in die schaltung? und kann cih dnan mti diesem R11 Potti die farbe verstellen? also ich hätte es jetzt mal so geschalten: ( hab +Ub mal noch nicht zusammengeführt der einfachheit halber. )
allerdings hab cih da ein paar unterschiede, vor allem zwischen dem ersten Potti und den Transistoren gesehn zur orginalschaltung, bei der sind da nämlcih unterschiedliche Kondensatoren und Wiederstände bei unserer SChaltung ist ja alles 3 x gleich
worin ligt da der unterscheid?
so genuggenervt für heute^^ ich weis für viele ist das kleinkram und nervig aber hab das in der form noch nie gemacht und komm mit dem reinen text den Lucky mir geschreiben hat manachmal stellenweise nciht ganz mit, desshalb jetzt heir die bildermitbezeichnungen. eigentlcih fehlen nur noch die größen an den einzelnen bauelementen und die Kontrole ob ich mein RGB richitg drin hab sowie der unterschied zur orginalen (in schwarz weis gezeichneten ) schaltung.
@ Lucky auch wenn du mir keine teile schicken brauchst bekommst auf jedenfall was für die hilfe


