Anschlussfrage an einen Kippschalter. (An / Aus / An)

Fragen zu Schaltungen, Elektronik, Elektrik usw.

Moderator: T.Hoffmann

Antworten
Benutzeravatar
D.Stegmann
Mega-User
Mega-User
Beiträge: 473
Registriert: So, 10.09.06, 20:20
Wohnort: Erlangen
Kontaktdaten:

Do, 14.08.08, 08:30

Guten Morgen,

so ich habe in letzte Zeit wieder viele Fragen die mir durch den Kopf gehen oder durch rumprobieren auftreten.

Und zwar habe ich eine LED Leiste gebastelt:
5 x Blaue LED's
5 x Weiße LED's

Sie sollten folgendermaßen geschaltet werden:
1. Alle anschalten
2. nur die Blauen anschalten

Verwendeter Kippschalter:
G420180.JPG
G420180.JPG (7.25 KiB) 7654 mal betrachtet
Kann ich die LED's an diesem Schalter so anschließenm, das die von mir genannte Schaltung möglich ist?
Ich habe gestern ewig rumgemacht, bis ich dann rausgefunden habe das das nicht funktioniert. (Weil ich nicht gleich von vorne geplant hatte. Das passiert mir auch nicht mehr.)

Erklärung warum es nicht geht:
Links schließe ich Weiß an und rechts Blau. Soweit so gut, jetzt kann ich schon zwischen "nur Blau" oder "nur Weiß" wechseln.
Zusätzlich habe ich dann aus dem Blaunen Anschlußkabel zwei gemacht sprich ich dem blauen Anschlußkabel zwei Köpfe verpasst.

Jetzt habe ich Blau rechts angeschloßen und Weiß links, zusätzlich habe ich dann den zweiten Kopf von Blau zusätzlich noch bei Weiß angschlossen. Hier ist dann auch der Fehler: Wenn ich den rechten anmache wo nur Blau ist, geht weiß trotzdem mit an, weil der Strom über die zweite Leitung rüber zu weiß fliegt.

Ich habe lange überlegt, und bin zu dem Enschluss gekommen, das es mit diesem Schalter nicht funktioniert, so eine Schaltung aufzubauen wie ich vorhatte. (Nur Blau und Blau + Weiß angeschalten)

Ich bräuchte eigentlich einen Schalter mit zwei getrennten Stromkreisen.

Oder täusche ich micht?
Benutzeravatar
Morbus
Ultra-User
Ultra-User
Beiträge: 936
Registriert: Fr, 26.10.07, 21:25
Wohnort: Vaihingen
Kontaktdaten:

Do, 14.08.08, 09:26

Mit Relais oder Transistoren ist das kein Problem. Oder du nimmst einen Schalter mit 6 statt 3 Anschlussteilen (was wahrscheinlich billiger wäre).

#Edit: Jo mit Diode gehts auch Mominik :D. Ich denk zu kompliziert :(.
Zuletzt geändert von Morbus am Do, 14.08.08, 09:27, insgesamt 2-mal geändert.
Benutzeravatar
Mominik
Mega-User
Mega-User
Beiträge: 474
Registriert: Sa, 07.07.07, 18:20

Do, 14.08.08, 09:26

weißblau.gif
weißblau.gif (7.37 KiB) 7642 mal betrachtet
Synthy82
Hyper-User
Hyper-User
Beiträge: 1956
Registriert: Do, 05.04.07, 15:15
Wohnort: Hamburg
Kontaktdaten:

Do, 14.08.08, 10:57

Bei der Diode musst mal kucken, ob der Helligkeitsunterschied mit und ohne Diode auffällig ist, weil an dieser ja auch noch mal n gutes halbes Volt abfällt. Notfalls an den anderen Ausgang des Schalters auch noch mal eine ranhängen.
Benutzeravatar
D.Stegmann
Mega-User
Mega-User
Beiträge: 473
Registriert: So, 10.09.06, 20:20
Wohnort: Erlangen
Kontaktdaten:

Do, 14.08.08, 17:13

Okay, danke euch.

Ich habe eine Schalter mit 6 Lötösen, nur mit dem bekomme ich es auch nicht hin, des ist glaub ich nur dafür das man mehr anschließen kann.

mfg

Daniel
Benutzeravatar
dieter_w
Mega-User
Mega-User
Beiträge: 398
Registriert: So, 18.02.07, 11:15

Fr, 15.08.08, 06:07

Ich habe dir in Mominiks Schaltbild mal die Anschlüsse des Schalters eingezeichnet.
Klar muss das funktionieren:
weißblau2.png
weißblau2.png (6.56 KiB) 7536 mal betrachtet
Benutzeravatar
Venga
Hyper-User
Hyper-User
Beiträge: 1039
Registriert: Sa, 17.02.07, 23:33
Wohnort: Schleswig-Holstein
Kontaktdaten:

Fr, 15.08.08, 10:40

D.Stegmann hat geschrieben:Okay, danke euch.

Ich habe eine Schalter mit 6 Lötösen, nur mit dem bekomme ich es auch nicht hin, des ist glaub ich nur dafür das man mehr anschließen kann.

mfg

Daniel
Das sind 3x plus und 3x minus
Benutzeravatar
D.Stegmann
Mega-User
Mega-User
Beiträge: 473
Registriert: So, 10.09.06, 20:20
Wohnort: Erlangen
Kontaktdaten:

Fr, 15.08.08, 13:40

Okay, vielen Dank.

Da habe ich beim anschließen dann nur einen Fehler drin.
Benutzeravatar
jamaica14x
User
User
Beiträge: 12
Registriert: So, 17.08.08, 12:23

So, 17.08.08, 19:33

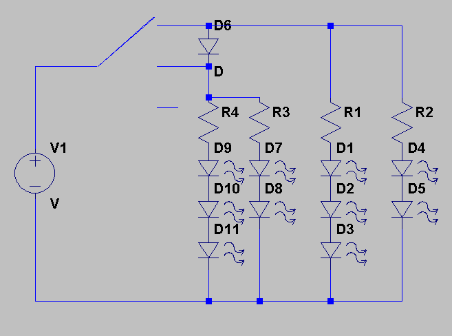
Du kannst es docheinfach so machen:
Unbenannt.JPG
Du kannst Weiß dann einfach nicht alleine anschalten wollteste doch auch nicht oder?
Benutzeravatar
Mominik
Mega-User
Mega-User
Beiträge: 474
Registriert: Sa, 07.07.07, 18:20

So, 17.08.08, 20:03

jamaica14x hat geschrieben:Du kannst es docheinfach so machen:
Unbenannt.JPG
Du kannst Weiß dann einfach nicht alleine anschalten wollteste doch auch nicht oder?
Das ist haargenau das gleiche, wie das was ich geposted habe, bzw. Dieter_W optimiert hat. Nur meins sieht professioneller aus :P
Benutzeravatar
dieter_w
Mega-User
Mega-User
Beiträge: 398
Registriert: So, 18.02.07, 11:15

So, 17.08.08, 20:08

Mominik hat geschrieben:Nur meins sieht professioneller aus :P
Professionelle Schaltbilder sind nun nicht jedermanns Sache ... :?
Antworten