dieses ist mein erster Beitrag und ich hoffe, dass es nicht schon exsisitiert. Aber beim suchen fand ich nichts.
Ich finde es immerwieder nervig wenn man jemanden besucht und nirgendswo eine Hausnummer findet, die erfahrungsgemäß schlecht zu finden ist und dazu im dunkeln nicht leserlich ist. Auch für Taxifahrer, Kuriere und wenn's mal brennt Ärzte, Feuerwehr
viel Zeit kostet.
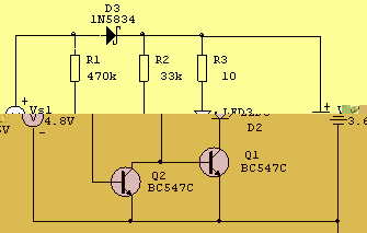
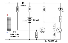
Hier mein Schaltungsvorschlag :
Die Hausnummernbeleuchtung ist nur durch Sonnenlicht betrieben. Das einfallende Licht wird durch eine Solarzelle in Strom umgewandelt und in einem Akku gespeichert. Dieser Akku speist eine Leuchtdiode, die mit geringstem Strom das Hausschild beleuchtet. Die LED wird bei Dunkelheit autom. eingeschaltet.
Nur 2 Stunden Tageslicht reichen um die LED mehrere Tage leuchten zu lassen.
Gruß
cimber


