Fehlersuche

Fragen zu Schaltungen, Elektronik, Elektrik usw.

Moderator: T.Hoffmann

Antworten
Benutzeravatar
Chris_Wob
Super-User
Super-User
Beiträge: 69
Registriert: Mi, 27.12.06, 12:43
Wohnort: Wolfsburg
Kontaktdaten:

Mi, 10.01.07, 00:49

Hallo,
habe letzens mein 10 Kanal LED Lauflicht wieder rausgekrammt und musste leider feststellen das es nur auf 7 Kanälen läuft.

Weiß wer was genau da kaputt ist ? Die Leds können es nicht sein da man im Gifbild sieht das sie ganz schwach leuchten (die ersten 3 Kanäle)
1253_ledlauflicht_1.gif
1253_ledlauflicht_1.gif (303.8 KiB) 11034 mal betrachtet
Benutzeravatar
derKosta
Mega-User
Mega-User
Beiträge: 485
Registriert: So, 24.12.06, 00:22
Kontaktdaten:

Mi, 10.01.07, 01:00

Scheint so als wenn doch die LED's einen Schaden haben. Können ja auch noch nen bischen glimmen und sind defekt.
DnM
Hyper-User
Hyper-User
Beiträge: 1118
Registriert: Mi, 24.05.06, 20:58
Wohnort: Bonn
Kontaktdaten:

Mi, 10.01.07, 01:04

probier ma die leds einzeln aus also wenn du die möglichektien hats ansonsten poste dies chaltung den so würde ich auch sagen es sind die leds
Benutzeravatar
Chris_Wob
Super-User
Super-User
Beiträge: 69
Registriert: Mi, 27.12.06, 12:43
Wohnort: Wolfsburg
Kontaktdaten:

Mi, 10.01.07, 01:17

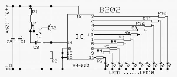
Also die LEDs funktionieren alle. Habs gerade getestet. Den Schaltplan habe ich auch mal rausgesucht war nen Bausatz :oops:
1253_schaltplan_1.jpg
DnM
Hyper-User
Hyper-User
Beiträge: 1118
Registriert: Mi, 24.05.06, 20:58
Wohnort: Bonn
Kontaktdaten:

Mi, 10.01.07, 01:30

ka is ja relativ simmpel also ich würde sagen die leds sind aber wenn du die getest hast. hast du ne möglichkeit den ic zu tauschen? ansonsten einfach niochmal alle kontakte usw und leitungen zu den defekten leds durchmessen vll findest du da was
Benutzeravatar
Sailor
Moderator
Beiträge: 9427
Registriert: Di, 28.11.06, 22:16
Wohnort: Saarland, Deutschland und die Welt

Mi, 10.01.07, 09:20

Ohne das Innenleben des IC´s zu kennen, tippe ich auf einen Fehler in der Masse. Die Verbindung der Anschlüsse 8, 13 und 15 deutet darauf hin, dass die Masse auch zur Gruppensteuerung aufgetrennt werden kann.

Wenn möglich, teste diese Annahme durch auftrennen der 3 Anschlüsse, wobei natürlich beim Auftrennen eines Anschlusses dann nichts mehr geht, weil die IC-Masse fehlt. Ich hoffe dass dies nicht gerade auch die Masse der ersten Gruppe ist. :evil:

Wenn also einer dieser Kontakte die Masse für die erste Gruppe bereitstellt, und dort eine schlechte äußere (oder innere) Verbindung besteht, würde es Dein Phänomen erklären.

Ein Fehler auf der LED-Seite ist eher unwahrscheinlich. Warum sollte gerade nur die Led´s der ersten Gruppe defekt sein?

Obwohl - nach Murphy ist alles möglich! :wink:
Benutzeravatar
zuBBu
Mega-User
Mega-User
Beiträge: 463
Registriert: Mi, 13.09.06, 13:36
Kontaktdaten:

Mi, 10.01.07, 16:23

So wie die Belegung der Pins aussieht vermute ich mal ein 4017 IC. Weiter vermute ich mal das das Lauflicht orginal keine Blauen LEDs hatte, weiter vermute ich mal das diese mehr Strom brauchen als die LEDs die vorher dran waren und zu guter letzt vermute ich mal das der CMOS IC (max. 10mA pro Pin ) über den Jordan ist :shock:

Wie gesagt alles vermutungen ... cu zubbu
Benutzeravatar
_nabla
Hyper-User
Hyper-User
Beiträge: 1171
Registriert: So, 30.07.06, 13:16
Wohnort: Gießen*Dortmund
Kontaktdaten:

Mi, 10.01.07, 16:28

bei so etwas würde ich grundsätzlich nen treiber vor die leds schalten, als IC oder Transistor&Widerstand...is besser :P
Benutzeravatar
Chris_Wob
Super-User
Super-User
Beiträge: 69
Registriert: Mi, 27.12.06, 12:43
Wohnort: Wolfsburg
Kontaktdaten:

Mi, 10.01.07, 16:56

zuBBu hat geschrieben:So wie die Belegung der Pins aussieht vermute ich mal ein 4017 IC. Weiter vermute ich mal das das Lauflicht orginal keine Blauen LEDs hatte, weiter vermute ich mal das diese mehr Strom brauchen als die LEDs die vorher dran waren und zu guter letzt vermute ich mal das der CMOS IC (max. 10mA pro Pin ) über den Jordan ist :shock:

Wie gesagt alles vermutungen ... cu zubbu
Ich denke mal was du sagst stimmt leider alles.. :cry: Gibs nen CMOS IC der mehr pro Pin verkraftet ? Oder gibs ne alternative zu der Schaltung die Grundsätzlich mehr verkraftet pro Pin..
-skunk- hat geschrieben:bei so etwas würde ich grundsätzlich nen treiber vor die leds schalten, als IC oder Transistor&Widerstand...is besser :P
:o

erklär mir mal bitte was du damit meinst.. Kenne das nur vom PC her :D Ne Spaß beiseite bin da in sachen elektronik noch anfänger und mit den begriffen etc. kann ich noch nichts anfangen.[/b]
Andy
Hyper-User
Hyper-User
Beiträge: 1284
Registriert: Mi, 17.05.06, 13:03

Mi, 10.01.07, 17:06

einfach hinter den Ausgängen des IC´s einen Widerstand dranhängen, der wiederum auf einen Transistor an die Basis geht.
Die LED hängt dann zwischen collector und + Leitung und Minus liegt an dem Emitter des Transistors, dieser Funktioniert dann als Schalter.
Antworten