Test Objekt: 1x Superhelle SuperFlux LED RGB 3000mcd 120°
Spannung: 3,1V pro Farbe (2x 1,55V Batterie)
Ohne Widerstand
Ir = 200,0mA*
Ig = 42,0mA
Ib = 18,0mA
Mit Widerstand 45Ω (Poti)
Ir = 49,0mA
Ig = 14,0mA
Ib = 6,5mA
*) Bereich überschritten
Probleme gibt’s wenn man die SuperFlux LED an eine (schwache) Stromquelle anschließt, dann unterdrückt die Rote LED die anderen was zu folge hat das diese nicht mehr (hell) leuchten.
Und jetzt ein paar Bilder:
nicht erschrecken wenn ihr komische farben seht, ist normal:
ich habe ein weissen blatt papier drunter gelegt.
Rot
Grün
Blau
Rot, Blau & Grün
Grün & Blau
Rot & Blau
Rot & Grün
und wem das nicht reicht hab ich auch ein Video: SuperFluxRGB.mpg
Fazit:
Preis etwas hoch
~ (kann man auch 1x Rot, 1x Grün & 1x Blau SuperFlux kaufen auser man braucht alles in einem gehäuse)
Alle Vorteile der SuperFlux gehäuse
keine Wärmeentwicklung
EDIT: Der poti den ich verwendet habe war ein logarithmischer und kein linearer des halb sieht man auf dem Video wie die farbe erst zum schluss kommt.
SuperFlux LED RGB 3000mcd
Moderator: T.Hoffmann
-
silversurfer
- Super-User

- Beiträge: 83
- Registriert: Mi, 28.06.06, 16:44
Hey, aber Du hättest zumindest einen Widerstand pro Farbe nehmen können. Das tut ja ansonsten weh, wenn man sich das anguckt - die arme LED.
Deine Komische Papierfarbe kommt wahrscheinlich vom automatischen Weißabgleich Deiner Kamera. Wenn Du den ausschaltest (so fern das geht), dann werden die Farben natürlicher aufgenommen.
Deine Komische Papierfarbe kommt wahrscheinlich vom automatischen Weißabgleich Deiner Kamera. Wenn Du den ausschaltest (so fern das geht), dann werden die Farben natürlicher aufgenommen.
ja, Test ist halt Test, und ohne widerstand war sie ja nur wo ich kurz gemessen hab, ansonsten immer mit 45Ohmsilversurfer hat geschrieben:Hey, aber Du hättest zumindest einen Widerstand pro Farbe nehmen können. Das tut ja ansonsten weh, wenn man sich das anguckt - die arme LED.
Deine Komische Papierfarbe kommt wahrscheinlich vom automatischen Weißabgleich Deiner Kamera. Wenn Du den ausschaltest (so fern das geht), dann werden die Farben natürlicher aufgenommen.
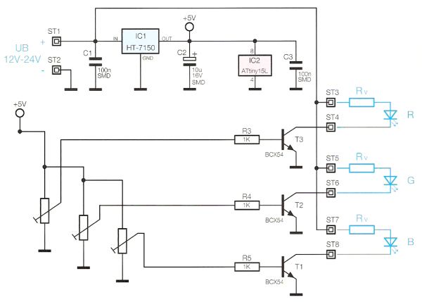
hier mal eine vereinfachte zeichnung:
-
Glynx
- Super-User

- Beiträge: 60
- Registriert: So, 24.09.06, 20:43
- Wohnort: Schönkirchen bei Kiel
- Kontaktdaten:
Was zu stören scheint ist der obere Teil, scheinen doch Kondensatoren zu sein, ich hab gerade nicht wirklich die Zeit total durch zu blicken, muss noch Bio lernen wegen Klausur, aber im Prizip kann man es eigentlich verstehen, wenn man weiß was die Beschriftungen bedeuten
Glynx
Glynx
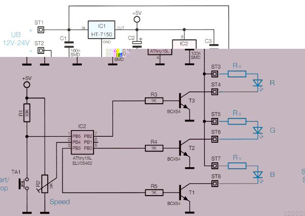
also in der oberen schaltung ist ein IC drin der die LEDs nach einander, wie lauf licht, aufleuchten lässt. der IC ist ein Microcontroller und gibts bei http://www.ELV.de zukaufen auch die komplette schaltung, die heißt "Farbwechsler für RGB-LEDs RGB 100"
EDIT: in der zweiten schaltung hab ich vergessen den IC2 aus der spannungs versorgung raus zu machen, sorry.
EDIT: in der zweiten schaltung hab ich vergessen den IC2 aus der spannungs versorgung raus zu machen, sorry.
Zuletzt geändert von Jay am Di, 03.10.06, 19:12, insgesamt 2-mal geändert.
- C.Hoffmann
- Site Admin

- Beiträge: 1857
- Registriert: Di, 28.12.04, 19:29
- Wohnort: Hechingen
- Kontaktdaten:
200 Credits für dien o.g. Test.

