Lego Modell Beleuchten - Absoluter Anfänger

Hier werden Fragen zu LED-Grundlagen beantwortet...

Moderator: T.Hoffmann

Antworten
furryhamster
Mini-User
Beiträge: 6
Registriert: Do, 24.10.13, 13:31

Do, 24.10.13, 13:43

Hallo,

obwohl ich schon lange aus dem Alter raus sein sollte, habe ich mir vorgenommen den Lego Super Sternen Zerstörer zu kaufen und als Deko zu nutzen. Dabei ist mir in den SInn gekommen diesen anzuleuchten. Dabei sollen z. B. Orange Leds an den Antrieb und von unten möchte ich das Model mit ein paar Leds anstrahlen. Über die Fläche 1,24m dachte ich so an 6 Leds und nochmal ca 4-8 Leds an dem Modell selbst.
Soviel zum vorhaben...

Jetzt kenne ich mich (bis jetzt) aber weder handwerklich noch technisch mit Leds noch mit allem anderen was in die Richtung "Elektrotechnik" geht aus.
Daher folgende Fragen die mir bis jetzt eingefallen sind:
- Was für Leds brauche ich? Die ich gesehen habe, haben immer so lange "Metaldinger" dran die ich ja nicht verbauen kann nehme ich an
- Wie kann ich diese einzeln platzieren und was für dünne Kabel brauche ich zum verlegen?
- Schaltungen? ich weiß bisher nicht was das ist (nur das es parallel und reihen gibt).
- Was brauche ich für ein Netzteil?
- Muss ich löten können bzw einen Lötkolben besitzen?

Ich erwarte jetzt keine detaillierte Antwort für Dummies aber wenn jemand ein paar Anleitungen hätte oder mir Suchbegriffe nennen könnte ("leds einzeln verlegen" hilft als Suchbegriff nicht wirklich) würde mir das bereits weiterhelfen
stromflo
Mega-User
Mega-User
Beiträge: 304
Registriert: Mi, 31.12.08, 12:16

Do, 24.10.13, 15:35

Guten Tag,

ich kenne dieses Lego-Modell nicht wirklich.
Evtl. wären SMD LEDS mit Anschlussdrähten aber eine gute Variante.
Bei Lumitronix habe ich allerdings nur diese grüne Varianteentdeckt.

Alternativ ist es natürlich auch möglich selber Anschlussdrähte an SMD-Leds zu löten. Dies erfordert allerdings schon ein wenig Fingerspitzengefühl, da die Leds schon ziemlich klein sind.

Für Leds mit relativ geringem Durchlassstrom lassen sich auch Schaltlitzen mit 0,08mm² verwenden. Diese kann man relativ gut verstecken. Der Strom einer Led sollte durch einen Vorwiderstand oder durch eine Konstantstromquelle begrenzt werden. Je nach Spannungsquelle lassen sich evtl. auch mehrere Leds in Reihe schalten. Beispielsweise könnte man an 12V schon drei der verlinkten Leds in Reihe schalten. Bei der Wahl des Netzteils kommt es also auch schon drauf an, wie viele Leds man betreiben möchte und vor allem auch ob alle idenisch sind oder ob es um Leds mit unterschiedlichen Durchlassströmen geht.

Gruß Flo
johnson
Ultra-User
Ultra-User
Beiträge: 980
Registriert: Mi, 24.02.10, 14:10
Wohnort: Bayern

Do, 24.10.13, 15:39

furryhamster hat geschrieben:...Lego Super Sternen Zerstörer...
Warum nur anleuchten :?: Lass ihn leben. :mrgreen:
Benutzeravatar
dBase
Mega-User
Mega-User
Beiträge: 204
Registriert: Sa, 07.02.09, 14:14

Do, 24.10.13, 23:25

Hallo, neben dem Supersternenzerstörer kann ich mit meinem Nursternenzerstörer einpacken...
Ich habe übrigens meinen upgraded und steuere die LEDs mit Mikrocontollern und auch nicht mehr so nervös. Die Triebwerksbeleuchtung ist nun auch von den 5mm-Clustern auf Highpower LEDs umgerüstet.

Aber zurück zu Deinem Vorhaben, ohne eigenen Lötkolben, Fingerfertigkeit und Schaltungsideen wird's schwierig - es soll ja auch nach 'was aussehen wenns fertig ist.
Die Schaltung selbst solltest Du als '12V gemischte Schaltung' vorsehen.
Im Model drin wirst Du genug Platz haben, um kleine Lochrasterplatinen für die Verteilung (Steckbar von Vorteil) unterzubringen.

Die LEDs mit den Metalldingerns kann man schon verbauen, 3mm wie auch 5mm LEDs lassen sich gut einbauen - man muss sich nur trauen, einen Supersternenzerstörer mit einem Akkubohrer anzugreifen. Verdrahten kann man im Modell Inneren auch mit Kupferlackdraht, den kann man auch zwischen den Steinen verlegen ohne dass sich 'Risse' zeigen.
Für Lichtpunkte auf der Oberseite in den vielen kleinen teilen gehts dann schon Richtung SMD, oder mit Lichtleitern - beides ein Gefitzel.

Von der Modellgrösse werden die wenigen (Du nennst 4-8 am Modell) LEDs wohl nicht den Effekt bringen, den ich denke, Du Dir vorstellst tust (stimmt gramatikalisch zwar nicht, zeigt aber meinen Zweifel).
SSDback.JPG
SSDback.JPG (42.88 KiB) 14658 mal betrachtet
In diesen Triebwerken lässt sich eine 5mm LED in der Mitte oder vier 3mm LED je in einem Noppen einbaun, dann der orangene Gleiter drauf, und man sieht nichts mehr. Vier Orange LEDs in Serie passen gut an 12V - mit entsprechendem Vorwiderstand natürlich - dann führen nur je zwei Drähte aus jedem Triebwerk auf die gemeinsame 12V Speisung.
Das Modell von unten beleuchten, wird, denke ich, auch nicht sonderlich wirken, ausser dass es Schattenspiel gibt an der Decke. Ich würde eher einen Spot schräg auf die filigrane Oberseite richten.
johnson
Ultra-User
Ultra-User
Beiträge: 980
Registriert: Mi, 24.02.10, 14:10
Wohnort: Bayern

Fr, 25.10.13, 07:28

dBase hat geschrieben:neben dem Supersternenzerstörer kann ich mit meinem Nursternenzerstörer einpacken...
Vielleicht von der Größe her, aber die Ausstattung ist allerfeinste Sahne, gefällt mir sehr gut. :wink:
Würde ich auch gern machen, nur meine Kidis zerlegen immer wieder alles. :lol:
furryhamster
Mini-User
Beiträge: 6
Registriert: Do, 24.10.13, 13:31

Fr, 25.10.13, 08:57

Danke für eure schnelle Rückmeldung :)

Bohren kommt nur in Frage wenn ich die Teile im örtlichen Legostore nachkaufen kann. Da muss ich mal schauen was die da so anbieten.

Wenn ich nicht Bohren werde wären ja wahrscheinlich die von Stromflo vorgeschlagenen LEDs besser, da ich ja sonst für diese Metalkontakte keinen Platz habe.

Lötkolben kann ich mir kaufen, Fingerfertigkeit habe ich auch, nur absolut keine Ahnung von der Technik. Ich müsste mich also zunächst einmal einlesen was eine Schaltung ist, wofür ein Wiederstand da ist, was es für Kabelarten und LEDs gibt und was ein Mikrokontroller ist. Gibt es nicht vielleicht sowas wie ein Einsteigerset mit Anleitung welches ich dann um eigene LEDs erweitern kann?

@dBase: Was hast du eigentlich an deinem Todesstern für LEDs verwendet die diesen "Spot" an der Decke erzeugen?
Borax
Star-Admin
Star-Admin
Beiträge: 12243
Registriert: Mo, 10.09.07, 16:28

Fr, 25.10.13, 09:06

Gibt es nicht vielleicht sowas wie ein Einsteigerset mit Anleitung welches ich dann um eigene LEDs erweitern kann?
Klar gibt es das: http://www.leds.de/LED-Zubehoer/Lektuer ... -LEDs.html Mit Mikrokontrollern würde ich nicht gleich anfangen... Außer Du hast schon Programmiererfahrung.
furryhamster
Mini-User
Beiträge: 6
Registriert: Do, 24.10.13, 13:31

Fr, 25.10.13, 09:27

Danke für den Link. Das Set sieht erstmal gut aus.

Programmieren sollte kein Problem sein, werde aber wahrscheinlich doch am Anfang erstmal drauf verzichten. In welcher Sprache schreibt mann denn?
Borax
Star-Admin
Star-Admin
Beiträge: 12243
Registriert: Mo, 10.09.07, 16:28

Fr, 25.10.13, 10:36

Die meisten (auch hier im Forum) verwenden die µCs von Atmel. Dafür gibt es einen C und einen Basic Compiler. Zeitkritische Sachen werden oft auch direkt in Assembler geschrieben (egal ob C oder Basic als Hochsprache verwendet wird), aber hier (für diese Aufgaben) ist das mit Sicherheit nicht nötig. Für den Einstieg mit Basic gibt es z.B. dieses Paket: http://www.elv.de/AVR-von-Anfang-an-%E2 ... tail_30769 , wenn man eher in C programmieren will (und ggf. auch weniger mit der Elektronik zu tun haben will) dann würde ich einen Arduino (z.B. http://www.watterott.com/de/Kleines-Ard ... surp04jtl3 ) als Einstieg empfehlen. Mal zum 'reinlesen' ist auch das microcontroller.net Tutorial gut geeignet: http://www.mikrocontroller.net/articles/AVR-Tutorial und http://www.mikrocontroller.net/articles ... C-Tutorial
furryhamster
Mini-User
Beiträge: 6
Registriert: Do, 24.10.13, 13:31

Fr, 25.10.13, 12:04

Danke für die Links, das sieht sehr interessant aus. Da ich auch schon mal C programmiert habe und dies auch noch die günstigste/"einfachste" Möglichkeit zu sein scheint würde ich mich damit evtl mal auseinander setzen. Das kann aber noch etwas dauert. Erstmal müssen die 3000 Lego-Teile zusammengesteckt werden und ich mich etwas mit der grundlegenden Materien befassen :wink:
stromflo
Mega-User
Mega-User
Beiträge: 304
Registriert: Mi, 31.12.08, 12:16

Fr, 25.10.13, 15:15

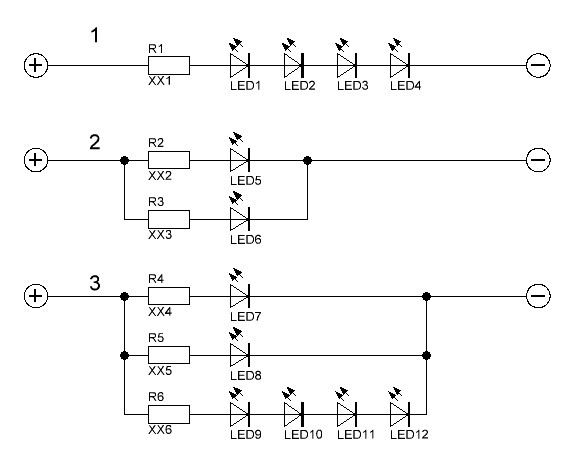
Die Beschaltungen mit den Leds sind im Prinzip gar nicht so schwierig. Habe mal ein paar Beispiele in den Anhang gepackt. Grundsätzlich ist es wichtig, dass man bestimmte Kenndaten von den Leds hat und eine Versorgungsspannung gewählt hat.
ledschaltungen.jpg
ledschaltungen.jpg (35.37 KiB) 14602 mal betrachtet
Kenndaten LED: (beispielhaft)
UF (Durchlassspannung) = 2,4V
IF (Durchlassstrom) = 20mA

Versorgung:
Versorungungsspannung U = 12V

Schaltung 1: (Reihenschaltung)

Zunächst muss ermittelt werden wieviel Spannung am Vorwiderstand XX1 abfallen soll.
Es werden 4 Leds gleichen Typs in Reihe geschalten. Bei einer Reihenschaltung addieren sich die Spannungen.

Abfallende Spannung UR = U - 4x UF

UR = 12V - 4 x 2,4V
UR = 2,4V

Als nächstes soll der Vorwiderstand ermittelt werden.

R = UR/IF
R = 2,4V/20mA
R = 120 Ohm

Widerstände werden in sogenannten E-Reihen abgestuft. Im Hobbybereich reicht häufig die E12 Reihe. Es ist zu empfehlen immer auf den nächst höheren Widerstandswert zu gehen. Allerdings gibt es die Widerstände auch in verschiedenen Leistungsstufen. Daraus folgt, dass man noch die Verlustleistung am Widerstand ermitteln muss.

P (Leistung) = UR²/R
P = 2,4²/120Ohm
P = 48mW

Schaltung 2: (Prallelschaltung)

Zunächst muss ermittelt werden wieviel Spannung am Vorwiderstand XX1 abfallen soll.
Es wird je 1 Led an einem Vorwiderstand betrieben. Bei einer Parallelschaltung addieren sich die Ströme.

Abfallende Spannung UR = U - UF

UR = 12V - 2,4V
UR = 9,6V

Als nächstes soll der Vorwiderstand ermittelt werden.

R = UR/IF
R = 9,6V/20mA
R = 480 Ohm

Da im Beispiel die LED5 und 6 identische Typen sind, ist der Vorwiderstand XX2 = XX3.

Addition des Gesamtstroms der Schaltung:
I1 = 20mA
I2 = 20mA
Iges = I1 + I2
Iges = 40mA

Widerstände werden in sogenannten E-Reihen abgestuft. Im Hobbybereich reicht häufig die E12 Reihe. Es ist zu empfehlen immer auf den nächst höheren Widerstandswert zu gehen. Allerdings gibt es die Widerstände auch in verschiedenen Leistungsstufen. Daraus folgt, dass man noch die Verlustleistung am Widerstand ermitteln muss.

P (Leistung) = UR²/R
P = 9,6²/480Ohm
P = 192mW

Schaltung 3: (Gemischte Schaltung)

Die letzte Schaltung besteht aus einer Kombination von der Reihenschaltung (Schaltung 1) und der Parallelschaltung (Schaltung 2).
Zunächst müssen die einzelnen Vorwiderstände für die einzelnen Ledstränge berechnet werden. Im Beispiel gilt:

Ermittlung XX4 und XX5:

Abfallende Spannung UR = U - UF

UR = 12V - 2,4V
UR = 9,6V

Als nächstes soll der Vorwiderstand ermittelt werden.

R = UR/IF
R = 9,6V/20mA
R = 480 Ohm

Ermittlung Verlustleistung:

P (Leistung) = UR²/R
P = 9,6²/480Ohm
P = 192mW

Ermittlung XX6:

UR = 12V - 4 x 2,4V
UR = 2,4V

Als nächstes soll der Vorwiderstand ermittelt werden.

R = UR/IF
R = 2,4V/20mA
R = 120 Ohm

Ermittlung Verlustleistung:

P (Leistung) = UR²/R
P = 2,4²/120Ohm
P = 48mW

Ermittlung vom Gesamtsrom:

Iges = I1+I2+I3
Iges = 20mA + 20mA + 20mA = 60mA

Kennt man den Gesamtstrom ist es auch möglich ein Netzteil zu wählen!

Beispiel: Versorgungsspannung wurde mit 12V gewählt Iges = 60mA

P= U x I --> 12V x 60mA = 720mW

Man sollte bei der Wahl des Netzteils immer eine Reserve mit einplanen. Lieber ein Netzteil mit etwas mehr Leistung verwenden!

Hoffe damit mal einen kleinen Einblick gegeben zu haben.

Gruß Flo
Benutzeravatar
dBase
Mega-User
Mega-User
Beiträge: 204
Registriert: Sa, 07.02.09, 14:14

Fr, 25.10.13, 21:21

welche LEDs diese weissen Spots an der Decke machen? Das sind irgendwelche 5mm bright white LEDs, 60°, sowas wie diese hier. Heute würd' ich eher etwas warmweisseres, hellereres, wenigerspottigeres, teurereres :-( nehmen.
stromflo
Mega-User
Mega-User
Beiträge: 304
Registriert: Mi, 31.12.08, 12:16

Sa, 26.10.13, 09:31

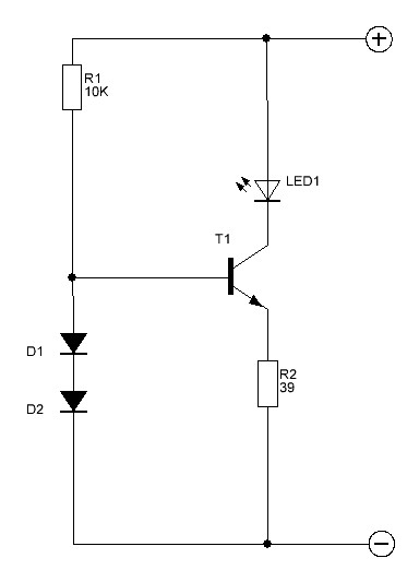
Für die LED ist es grundsätzlich wichtig, dass der Durchlassstrom begrenzt wird. Zunächst habe ich mal eine einfache Option über Vorwiderstände aufgezeigt. Häufig werden aber auch sogenannte Konstantstromquellen verwendet. Diese sind oft so gestrickt, dass auch bei Veränderung der Spannung der Strom konstant bleibt. Konstantstromquellen lassen sich sowohl mit diskreten Bauteilen erstellen als auch mit einfachen fertigen Bauteilen (LED-Treibern) realisieren.
konstantstromquelle.JPG
konstantstromquelle.JPG (13.8 KiB) 14554 mal betrachtet
Ermittlung vom Widerstand R2:

R = U/I
R = 0,7V/0,020 A
R = 35 Ohm

Wir wählen den nächst höheren Wert aus der E12 Reihe mit 39 Ohm.

Daraus ergibt sich ein tatsächlicher Strom von:
I = U/R
I = 0,7V/39 Ohm
--> ca. 18 mA

Die Stückliste hierzu könnte so ausschauen:

1x Transistor BC546
1x Widerstand R1 = 10K
1x Widerstand R2 = 39 Ohm
2x Diode 1N4148 (D1, D2)
1x LED

Wichtig zu beachten ist:
UBE = Betriebsspannung
UF = Durchlassspannung LED
UBE - UF > 0,7V

Ein mögliches Layout könnte z.B. so aussehen:
konstantstromquelle_layout.png
konstantstromquelle_layout.png (18.9 KiB) 14548 mal betrachtet
Natürlich muss die LED nicht direkt auf der Platine sein. Sie könnte mit Stift- und Buchsenleisten über Kupferlitzen verbunden werden.

Für diese und ähnliche Schaltungen findet man auch im Internet noch einige Beispiele.
Der Betriebs bzw. Versorgungsspannung sind natürlich aufgrund von den Bauteilen auch Grenzen gesetzt.
Hier müssen auch die Datenblätter vom Transistor beachtet werden.

Gruß Flo
furryhamster
Mini-User
Beiträge: 6
Registriert: Do, 24.10.13, 13:31

So, 27.10.13, 20:33

Danke für die Erläuterungen. Zumindest grob habe ich es verstanden. Da werde ich mich wohl in den nächsten Wochen noch mal genauer mit beschäftigen
Antworten